手动燕尾槽滑台采用丝杠传动及燕尾槽导轨,适用于简易精密传动,调整后不容易发生位置偏移现象,体积小,适合内置于其它装置

手动燕尾槽滑台
1.X轴精密滑台
2.单轨-X轴
3.台面尺寸 : 请参考规格表
4.行程 : ±3~±35 (mm)
5.传动位置-中央正手
|
轴
|
X Axis
|
|
传动部件
|
进给螺丝
|
|
材质
|
铝合金
|
|
材质
|
铜合金
|
|
轨道方式
|
鸠尾槽式
|
|
型号
|
DX系列
|
二,X轴燕尾式微调架特点:
1. 轨道方式使用鸠尾槽式平台,驱动调整模式为齿轮齿条。适用于使用频率较高,需要快速移动与较大行程的情况
2. 使用进给螺丝(压花型)传动,适合使用于简易精密的移动
3. 材质-铜合金、铝合金
4.采用燕尾副导轨,负载能力强
5.具有锁紧功能,锁紧效果好,稳定性高
6/丝杠传动灵敏度更高,适用于简易精密传动;
7.体积小,适合内置于其它装置
三,DX系X轴燕尾式微调架系列规格参数:
|
型号 |
台面尺寸 (mm) |
行程
(mm) |
直线度
(um) |
最小刻度量 |
荷重 (N) |
材质 |
表面处理 |
|
DX25C |
25x25 |
±5 |
30 |
0.1 mm /刻度 |
30 |
铝合金 |
阳极发黑 |
|
DX40C |
40x40 |
±7 |
30 |
0.1 mm /刻度 |
30 |
|
DX60C |
60x60 |
±9 |
30 |
0.1 mm /刻度 |
40 |
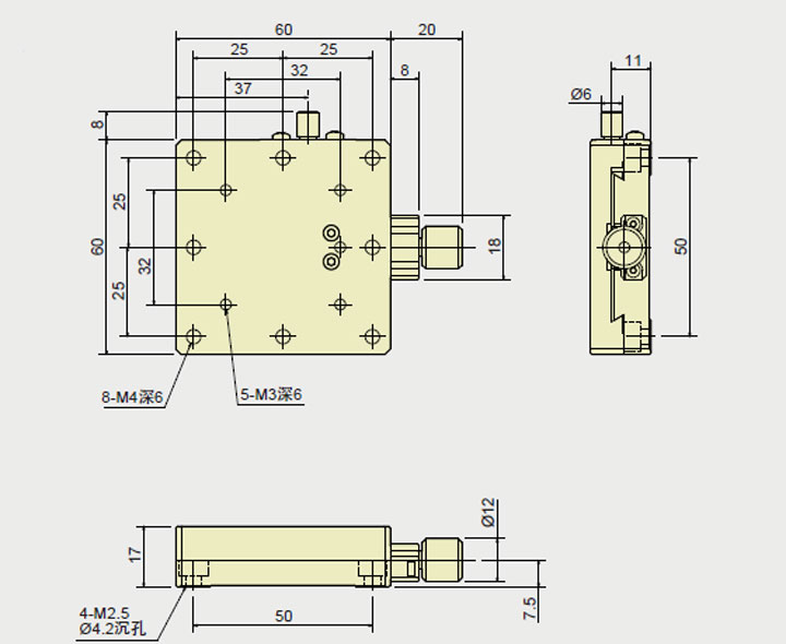
DX25C手动燕尾槽滑台 外形尺寸

DX40C手动燕尾槽滑台外形尺寸

DX60C X轴燕尾式微调架外形尺寸
|
手动轨道特性说明 |
|
轨道方式 |
构造 |
特性说明 |
产品应用 |
移动精度
|
耐荷重
|
刚性 |
|
交叉滚柱导引
|
 |
移动的滑轨是两个V型沟滑槽经热处理硬化后,施行高精度成型研磨加工,与转动滚柱轴承构成,轴承相连,以90度的角度轮流移动,达到高平行度及高平面度使用需求。
在构造上,V型构槽和交叉滚柱,因为是用线接触方式传动,因此可得到高精度的移动,及耐荷重的表现。
|
此产品可应用在高精度、重荷重的精密移动装置、光学实验之精密量测、精密微调最适合、各种生产机械,检查装置,精密定位,定量移动等等。 |
优 |
佳 |
优 |
|
线
性
滚
珠
导
引
|
 |
滑轨与本体是一体的,哥德式弧型构槽施行高精度成型研磨加工,达到高平行度及高平面度。
哥德式弧形构槽在本体的上、下滑轨面,各由双孤槽构成,单槽移动的钢球是二点接触的架构,双弧槽总共四个接触点,构成坚固的滑轨结构。
因SUS-STAGE的滑轨,是将钢球组装导引进弧形沟槽而成的,在组装上减少传统的调整与校正所需要的工时,亦不需要调整螺丝,可除去因螺丝鬆动所导致的精度维修问题和工时。
|
此产品应用在高精度,中荷重的精密定位装置,生产设计整合系统,光学实验,精密传送,精密微调的机构设计应用。 |
优 |
优 |
优 |
|
鸠
尾
槽
|
 |
鸠尾槽式平台-齿轮齿条
(主要材料:低镉黄铜或铝合金)备有适合以装入模式安装的小型、粗微动、大型等多款型号。驱动调整模式为齿轮齿条。适用于使用频率较高,需要快速移动与较大行程的情况。
螺牙驱动平台
(主要材料:低镉黄铜] 备有便携式的标准型和适合内置模式安装的滑块型。驱动调整模式为螺杆模式。适用于使用频率较低,进行微小调整的场合。
|
此产品应用在光学仪器装置、测定器、检查装置、半导体製造装置、试验机、显微镜、搬运机、加工机、医疗机器、印刷机及其它。 |
可 |
佳 |
佳 |
|
双
圆
棒
型
|
 |
藉由左右2边之圆棒来辅助中间的传动机构,进行滑台之运作,传动机构如下:
进给螺丝式
利用螺丝的推压来移动平台,另一端搭配弹簧回推特性抑制间隙产生。适用于承载轻量物品、精密进给时使用。
螺牙式
藉由螺牙穿过平台来移动滑台,作为Z轴使用时,滑台会配合螺丝进给移动,相较于进给螺丝搭配弹簧传动,耐荷重较佳。
|
此产品应用于治具、摄影机、感应器、喷嘴、输送带导料槽宽等不需高精度调整的微调上。 |
可 |
可 |
可 |